·加入收藏 ·设为首页 ·English
 
网站首页 公司简介 企业荣誉 产品展示 质量控制 新闻动态 联系我们 下属公司
 
宜昌市恒昌标准件有限责任公司 - 显示信息内容
  垫圈系列
  弹簧垫圈
  不锈钢弹簧垫圈
  重型弹簧垫圈
  波型弹簧垫圈
  双层弹簧垫圈
  销系列
  安全销
  开口销
  单圈锁销
  不锈钢开口销
  通用件系列
  组合螺栓
  其他
 
 
 
 
   
 
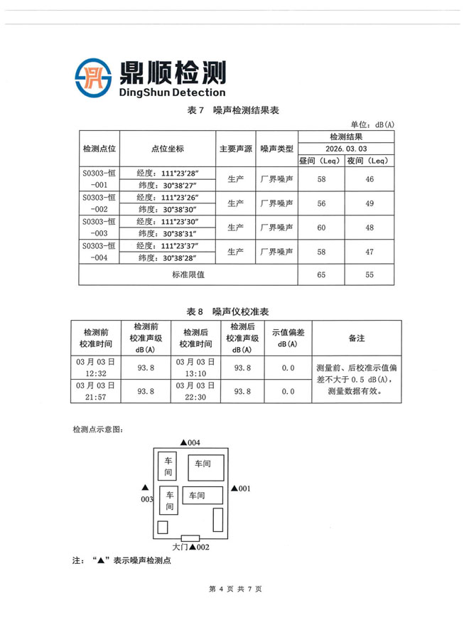
2026年3月环境检测报告
发布时间: 4/22/2026 被阅览数: 10 次 来源: 宜昌市恒昌标准件有限责任公司
文字 〖 自动滚屏(右键暂停)

 


上四条同类信息:
  • 宜昌市恒昌标准件有限责任公司 清洁生产审核信息公示
  • 微信废物管理计划备案登记
  • 2022年危险废物管理计划备案表公示

  • 版权所有:宜昌市恒昌标准件有限责任公司
    公司地址:中国湖北省宜昌市伍家岗工业园区前坪路9号 电话:0717-6353463(销售部)
    手机:139 9768 8732 邮箱:hcbzjgs@163.com
    鄂ICP备08005263号-1 企业营业执照
    流量统计: 鄂公网安备 42050202000403号
    郑重声明:未经授权,严禁其他单位或个人转载或盗用恒昌公司产品图片及相关信息,违者必究!
    旗下公司